关于我们
企业简介
资质证书
企业文化
业务板块
产品及设备
工程建设
系统集成
国际合作
国内合作
新闻中心
行业动态
公司新闻
来访留言
联系我们
人才招聘
联系我们
工业尿素
节煤剂
脱硫药剂
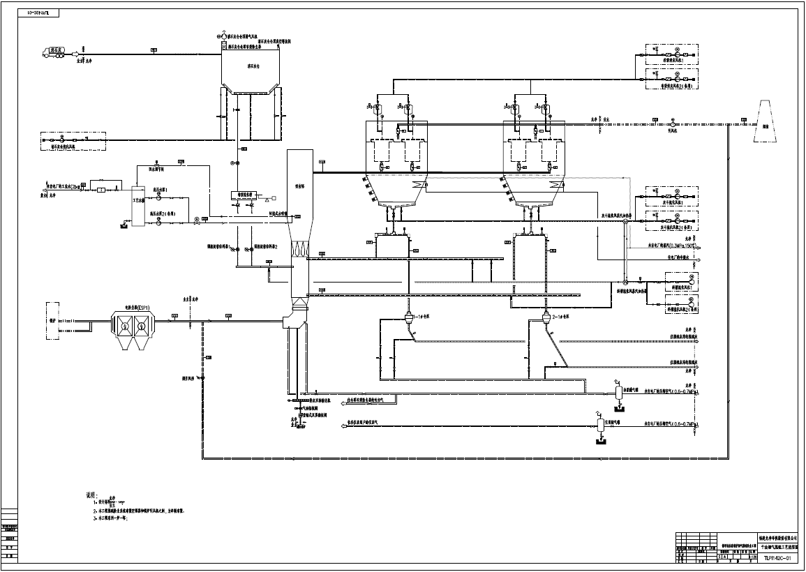
半干法脱硫简介及原理图
2018-04-27 12:01
©2018
武汉谦亿盈实业有限公司
版权所有
网站地图
企业邮箱
加入谦亿盈